彩超:通常由探頭(相控陣、線陣、凸陣、機械扇掃、三維探頭、內窺鏡探頭等)、超聲波發射/接收電路、信號處理和圖像顯示等部分組成。利用超聲多普勒技術和超聲回波原理,同時進行采集血流運動、組織運動信息和人體器官組織成像的設備。用于超聲成像、測量與血流運動信息采集供臨床超聲診斷檢查使用。其中探頭可經食道、血管內、術中經人體內部組織,和/或用于超聲導航等領域。
市場上目前有便攜式彩超、推車式彩超,也有分為人用、獸用。

那么在彩超診斷設備上,有我們歐姆龍哪些機會點呢?
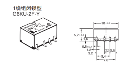
1、探頭板:G6KU-2F-Y-TR系列:信號輸出

特點:探頭是用于收集檢測的工具,在使用過程中,需要傳輸多路信號,需要用到很多繼電器區控制,而歐姆龍磁保持繼電器,是歐姆龍信號繼電器中體積最小的系列,且磁保持型比常規款功耗更低,以其優良的品質,已經受到國內外知名品牌的選擇和信賴;
2、電源控制:G3VM:高壓電源切換控制

特點:目前市場上有些彩超診斷設備會使用高壓電源,有些電壓高達350V,電源控制就可選用歐姆龍MOS FET繼電器,負載20V~600V的電壓,滿足這一部分的功能要求。
3、設備信號切換:G6J系列

特點:歐姆龍近年來的新系列繼電器,線圈與接點間、同極接點間均為FCC part68(1.5kV 10×160μs)標準。且交貨期短,是一款高性價比之選。
目前歐姆龍繼電器已經在彩超診斷設備領域廣泛使用,得到業內的一致認可!如您需要樣品和選型支持,歡迎咨詢廣州鼎悅電子!



